Continuous flow offers many advantages over traditional batch processes. Often cited advantages are:
Thank you for reading this post, don't forget to subscribe!
Continuous flow allows a large amount of material to be processed in a small space (e.g., a typical fume hood). Scaling up to a larger flow reactor to reach higher throughput can be much simpler than scaling up a batch process, where factors like mass transfer, stirring, and heat dissipation rapidly become less favorable with increasing scale. Flow setups can also avoid the high cost of large reaction vessels.
Another significant advantage is safety. Continuous Flow Reactors (CFRs) allow for very efficient heat removal from exothermic processes while avoiding large reaction volumes. Compressed gasses in a flow allow for very high-pressure reactions to proceed without the safety concerns of pressurizing a large reactor vessel.
A wide range of chemistry can be adapted to flow with several types of CFRs. In addition to the well-known Plug-Flow Reactors, Continuous Stirred Tank Reactors (CSTRs) offer several advantages. With peristaltic pumping, CSTRs allow even heterogeneous reactions to be adapted to flow. CSTRs can be used in sequence and tailored to specific reaction profiles to optimize rate and selectivity.

J-STAR Research offers the expertise to adapt a wide variety of chemical processes to medium or small-scale continuous flow.
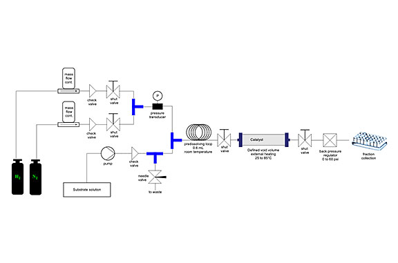
A recently employed example of a continuous flow reactor is shown in the left graph utilizing some of the discussed elements.